Damper - Mopar (52126287AA)

Damper - Mopar (52126287AA)

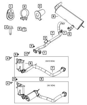
Part can be found as reference #3 in illustration

Damper - Mopar (52126287AA)

OR

Discontinued Product

No Longer Available For Purchase

Manufacturer Warranty Minimum of 12 Months
Guaranteed Fitment Always the correct parts
Shop with Confidence Your information is safe
In-House Experts We know our products

Details

  • Brand:

    Mopar Parts

  • SKU:

    52126287AA

  • Description:

    Extension Pip To Frame

  • Condition: New
  • Applications: 2-Door 4x4. 4-Door 4x2. 4-Door 4x4. 4-Door 4x4 RHD.

Vehicle Fitment

Vehicle Fitment
Year Make Model Body & Trim Engine & Transmission
( more fitments)
No fitment data available