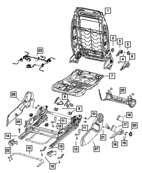
Adjusters, Covers, Shields, and Risers for 2007 Jeep Patriot
No.
Part # / Description / Price
Price
11
$44.60
13
$42.35
24
$10.60
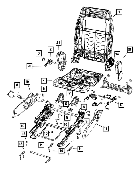
No.
Part # / Description / Price
Price
9
$44.60
11
$42.35
15
$10.60
16
Hex Flange Lock Nut, Mounting, Right
Mopar
Mopar Notes: Engines: 2.0L I4 DOHC 16V DUAL VVT ENGINE. 2.0L I4 DOHC DIESEL 16V ENGINE. 2.4L I4 DOHC 16V DUAL VVT ENGINE. Transmissions: 5-SPEED MANUAL T355 TRANSMISSION. 6-SPEED MANUAL AISIN BG6 TRANS. CONT.VAR. W/OFF-RD CRAWL RATIO TRANS. CONTINUOUSLY VARIABLE TRANSAXLE II.
Description: M12X1.50. Front Differential Bracket to Isolator
$18.40
$18.40

